> 종류
- 마그네토 발전기
영구자석을 계자석으로 이용
- 타여자 발전기
다른 직류전원으로부터 계자 전류를 받아서 계자자속을 만든다.
- 자여자 발전기
발전기 자체에서 발생한 기전력에 의하여 계자 전류를 공급해 여자하는 발전기이다.
계자권선과 전기자의 접속방법에 따라 세 가지로 분류된다.
a. 직권발전기
전기자권선과 계자권선이 직렬로 접속된다.
b. 분권발전기
전기자권선과 계자권신이 병렬로 접속된다.
c. 복권발전기
직권발전기와 분권발전기가 결합된 것으로 분권계자권선을 주계자로 본다.
분권계자권선과 직권계자권선의 접속방향에 따라 '가동복권'과 '차동복권' 으로 나뉘고
또, 분권계자권선의 접속방법에 따라 내분관과 외분권으로 나뉜다.
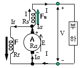
Fs : 직권계자권선 Rs : 직권계자권선 저항
F : 분권계자권선 Rf : 분권계자권선의 저항
A : 전기자권선 Ra : 전기자권선의 저항
I : 부하전류 If : 계자전류
V : 단자전압 E : 역기전력
1. 타여자 발전기

계자전류를 외부에서 별도로 공급받는다.
또, If(계자전류)는 Ia(전기자전류)와 독립적이다.
2. 직권 발전기

자여자 발전기중 하나이다.
계자코일이 전기자코일과 직렬으로 접속되어있다.
또, If(계자전류)는 Ia(전기자전류)와 동일하다.
3. 분권발전기

분권발전기 또한 자여자 발전기 중 하나이다.
계자코일이 전기자코일과 병렬으로 접속되어 있으며 분권발전기 또한 If(계자전류)는 Ia(전기자전류)와 동일하다.
Ia(전기자코일) = If(계자전류) + I(부하전류)라는 점을 주목해야한다.
4. 내분권 (가동)복권발전기

복권은 분권계자코일과 직권계자코일 모두 있는것을 말한다.
그 중 분권계자권선이 전기자측, 직권계자권선이 단자츠겡 접속된 것을 내분권이라 한다.
5. 내분권 (차동)복권발전기

내분권이면서 차동인 발전기를 말한다.
6. 외분권 (가동)발전기

직권계자권선이 전기자측, 분권계자권선이 단자측에 접속된 것을 외분권 이라고 하며 복권전동기의 표준이다.
7.외분권 (차동)복권발전기

외분권이면서 차동인 발전기를 말한다.
>>가동,차동설명
여기서 분권계자권선(F)은 주계자이며, 직권계자권선(Fs)은 추가된계자이다.
이때 가동은 F와 Fs에 흐르는 전류방향이 동일해 같은방향의 자속을 이루어 F+Fs의 크기를 같게 되는것을 의미
반면 차동은 F와 Fs에 흐르는 전류방향이 반대라서 F-Fs크기의 자속을 가지게 됨을 말한다.
만약 가동,차동에 부하가 증가하면 어떻게 될까??
(더 공부해야할 점 : 부하가 증가하면 [부하전류]가 증가한다고 되어있는데 왜 그런지를 이해못함)
(직관적으로는 이해가 가지만 수식적으로?? 문자적으로?? 는 이해가 잘안됨)
<가동> <차동>
부하증가 부하증가
자속증가 자속감소
(직권계자권선에서 (직권계자권선에서
계자되는 자속이 계자되는 자속이
+로증가) -로증가)
유도기전력 상승 유도기전력 감소
단자전압 저하
'공부 > 전기' 카테고리의 다른 글
| 유도기전력 공식정리 (1) | 2020.11.02 |
|---|